Gépláb (10393)
3280 Ft + Áfa (4166 Ft)
Műanyag talpas gépláb csúszásgátlóval, horganyzott acél menetes szár, csuklós (30°)
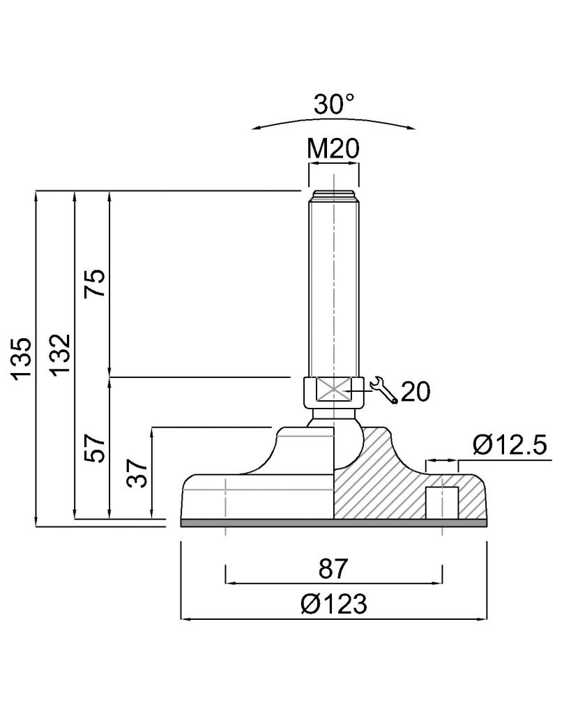
- Talp: Ø123
- Szár: M20x75
Állítható magasságú gépláb üvegszállal erősített lefúrható műanyag talppal és horganyzott acél menetes szárral. 70 shore keménységű csúszásmentes NBR gumitalppal. Önbeálló (30°).
- Géptalp: kerek, üvegszál-erősítésű poliamid talp, talajra fúrható, fekete színű, matt felület
- Menetes szár: horganyzott köracélból, gömbfejű
- Gumitalp: FDA, fekete színű, NBR 70 Shore keménységű
A műanyag talpba illeszkedő 20-as kulcsnyílással rendelkező horganyzott acél gömbfejű csavart egy villáskulcs segítségével könnyen el lehet forgatni és ezzel a géplábat pontosan pozícióba lehet állítani. A talaj egyenetlenségeit a gömbcsuklós menetes szár segítségével könnyű kiegyenlíteni.
Technikai adatok
| Cikkszám | 10393 |
| Menet-Ø (F) | M20 |
| Csavarhossz (B) | 75 |
| Talp-Ø (D) | 123 |
| Talpmagasság (G) | 37 |
| Padlótávolság (A) | 57 |
| Teljes magasság (H/H1) | 135 |
| Kulcsnyílás (SW) | 20 |
| Gumitalp | NBR 70 Shore-A, fekete | FDA |
| Súly [gr] | 515 |
| Teherbírás [Newton] | 35 000 |
Fontos!
A táblázatban megadott terhelhetőség a menetes szár hosszának felénél számított statikus teherbírásra vonatkozik függőleges terheléskor. Rezgés vagy dinamikus terhelés esetén a teherbírás csökkenhet! További információért forduljon irodánkhoz. Átalakításból, javításból vagy módosításból eredő bármely kárért vagy költségért nem vállalunk felelősséget.
Egyéb információ
- Az üvegszállal erősített poliamid hőállósága lényegesen nagyobb, mint a nem erősített típusoké.
- 1.4301 – AISI 304 rozsdamentes acél menetes szárral is kapható.
A műanyag talpas géplábakat vagy önbeálló lábakat általában ipari környezetben használják.
A karbantartásmentes gépláb a meneten keresztül fokozatmentesen állítható magasságú (a szár hosszától függően) és bizonyos mértékig dönthető, ami megkönnyíti a pontos összeszerelést és igazítást.
A gömbcsuklós csavar mindkét irányban kb. 15°-os dőlésszögben állítható, ami garantálja a gép stabil és pontos beállítását.
- fokozatmentes magasságállítás (a menetes szár hosszától függően) maximális stabilitás és minimális erőfeszítés mellett
- az egyenetlen talaj kiegyenlítése költséges betonozás nélkül
- nagy hatszögletű kulcslap a könnyű magasságállításhoz
A géplábat kérés esetén teljesen összeszerelve szállítjuk.
| Tömeg | 515 g |
|---|---|
| Menetméret (F) | |
| Csavarhossz (B) | |
| Talp-Ø (D) | |
| Talpmagasság (G) | |
| Padlótávolság (A) | |
| Teljes magasság | |
| Kulcsnyílás (SW) | |
| Teherbírás [Newton] | |
| Csavar anyaga | |
| Talp anyaga | |
| Talpkialakítás | |
| Furattávolság | |
| Gumitalp | |
| Kiegyenlítési szög | |
| Csavarméret | |
| Termékvonal | |
| Kiszerelési egység | |
| Márka |






