Gépláb (12771)
2990 Ft + Áfa (3797 Ft)
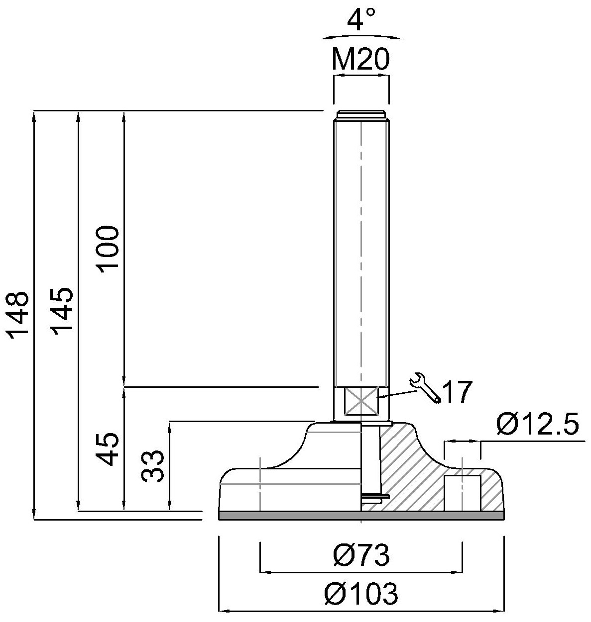
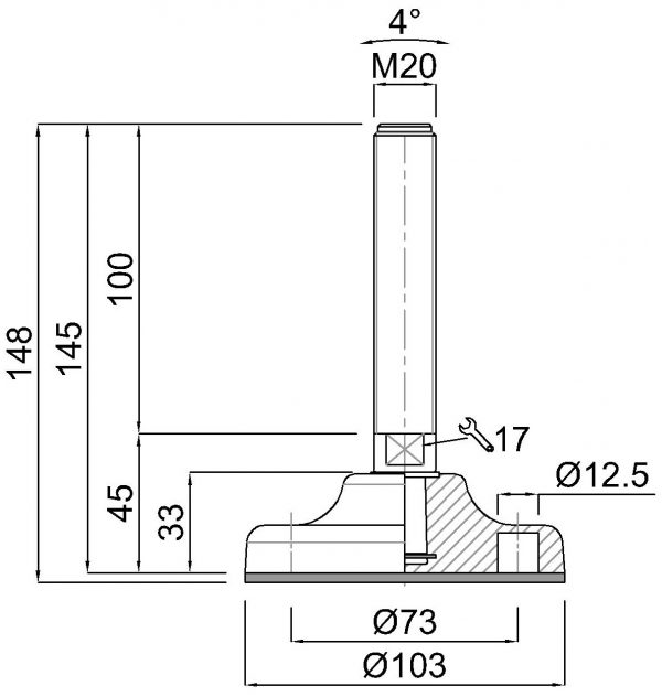
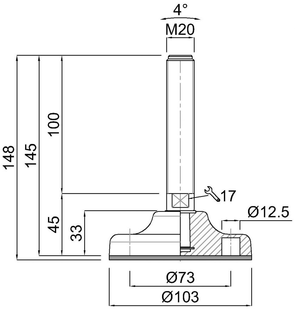
Műanyag talpas gépláb csúszásgátlóval, horganyzott acél menetes szár, fix, szögkiegyenlítés (4°)
- Talp: Ø103
- Szár: M20x100
Állítható magasságú gépláb üvegszállal erősített lefúrható műanyag talppal és horganyzott acél menetes szárral, 70 shore keménységű csúszásmentes NBR gumitalppal, szögkiegyenlítéssel (4°)
- Géptalp: kerek, üvegszál-erősítésű poliamid talp, talajra fúrható, fekete színű, matt felület
- Menetes szár: horganyzott köracélból
- Gumitalp: FDA, fekete színű, NBR 70 Shore keménységű
A műanyag talpba szerelt rozsdamentes fix menetes szárat egy villáskulcs segítségével könnyen el lehet forgatni és ezzel a géplábat pontosan pozícióba lehet állítani.
Technikai adatok
| Cikkszám | 12771 |
| Menet-Ø (F) | M20 |
| Csavarhossz (B) | 100 |
| Talp-Ø (D) | 103 |
| Talpmagasság (G) | 33 |
| Padlótávolság (A) | 45 |
| Teljes magasság (H/H1) | 148 |
| Kulcsnyílás (SW) | 17 |
| Súly [gr] | 473 |
| Teherbírás [Newton] | 35 000 |
Fontos!
A táblázatban megadott terhelhetőség a menetes szár hosszának felénél számított statikus teherbírásra vonatkozik függőleges terheléskor. Rezgés vagy dinamikus terhelés esetén a teherbírás csökkenhet! További információért forduljon irodánkhoz. Átalakításból, javításból vagy módosításból eredő károkért vagy költségekért nem vállalunk felelősséget.
Egyéb információ
- Az üvegszállal erősített poliamid hőállósága lényegesen nagyobb, mint a nem erősített típusoké.
- 1.4301 – AISI 304 rozsdamentes acél menetes szárral is kapható.
A műanyag talpas géplábakat vagy önbeálló lábakat általában ipari környezetben használják.
A karbantartásmentes gépláb a meneten keresztül fokozatmentesen állítható magasságú (a szár hosszától függően) és bizonyos mértékig dönthető, ami megkönnyíti a pontos összeszerelést és igazítást.
A menetes szár mindkét irányban kb. 2°-os szögkiegyenlítéssel rendelkezik, ami garantálja a gép stabil és pontos beállítását.
- fokozatmentes magasságállítás (a menetes szár hosszától függően) maximális stabilitás és minimális erőfeszítés mellett
- nagy hatszögletű kulcslap a könnyű magasságállításhoz
A gépláb alkotóelemeit (géptalp és szár) már összeszerelve szállítjuk.
| Tömeg | 473 g |
|---|---|
| Menetméret (F) | |
| Csavarhossz (B) | |
| Talp-Ø (D) | |
| Talpmagasság (G) | |
| Padlótávolság (A) | |
| Teljes magasság | |
| Kulcsnyílás (SW) | |
| Teherbírás [Newton] | |
| Csavar anyaga | |
| Talp anyaga | |
| Talpkialakítás | |
| Furattávolság | |
| Gumitalp | |
| Kiegyenlítési szög | |
| Csavarméret | |
| Termékvonal | |
| Kiszerelési egység | |
| Márka |






