Gépláb (12900/P2)
4300 Ft + Áfa (5461 Ft)
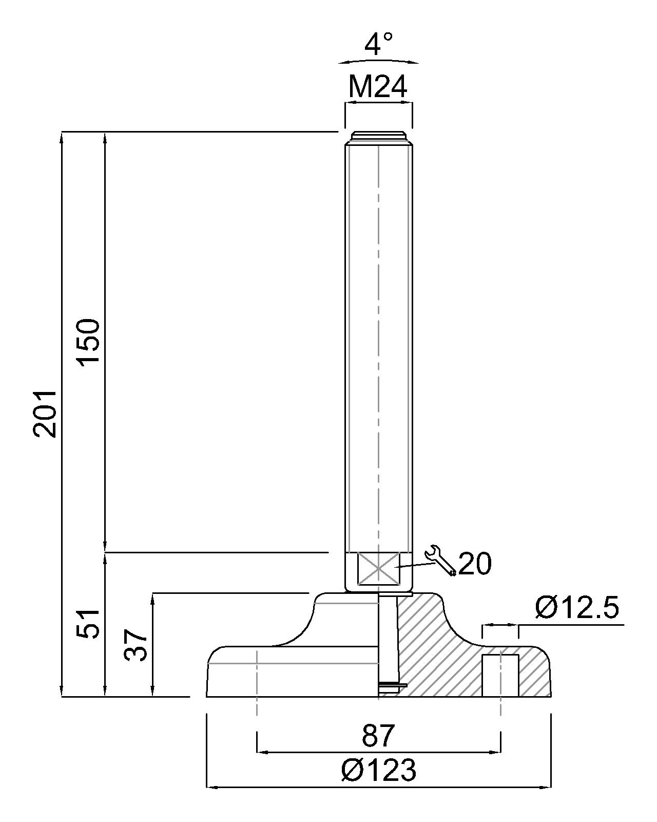
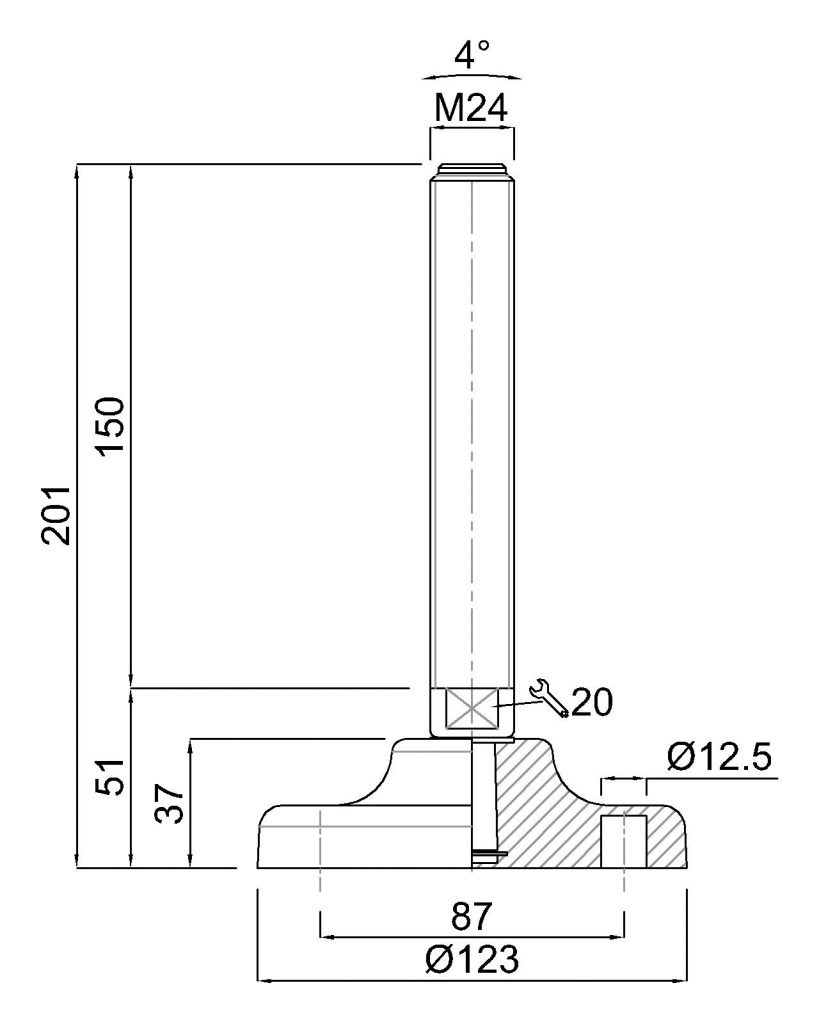
Műanyag talpas gépláb, horganyzott acél finommenetes szár, fix, szögkiegyenlítés (4°)
- Talp: Ø123
 - Szár: M24x150
 
Állítható magasságú gépláb üvegszállal erősített lefúrható műanyag talppal és horganyzott acél finommenetes szárral, szögkiegyenlítéssel (4°)
- Géptalp: kerek, üvegszál-erősítésű poliamid talp, talajra fúrható, fekete színű, matt felület
 - Menetes szár: horganyzott köracélból
 
A műanyag talpba szerelt rozsdamentes fix finommenetes szárat egy villáskulcs segítségével könnyen el lehet forgatni és ezzel a géplábat pontosan pozícióba lehet állítani.
Technikai adatok
| Cikkszám | 12900/P2 | 
| Menet-Ø (F) | M24 | 
| Csavarhossz (B) | 150 | 
| Talp-Ø (D) | 123 | 
| Talpmagasság (G) | 37 | 
| Padlótávolság (A) | 51 | 
| Teljes magasság (H/H1) | 200 | 
| Kulcsnyílás (SW) | 20 | 
| Súly [gr] | 690 | 
| Teherbírás [Newton] | 45 000 | 
Fontos!
A táblázatban megadott terhelhetőség a menetes szár hosszának felénél számított statikus teherbírásra vonatkozik függőleges terheléskor. Rezgés vagy dinamikus terhelés esetén a teherbírás csökkenhet! További információért forduljon irodánkhoz. Átalakításból, javításból vagy módosításból eredő károkért vagy költségekért nem vállalunk felelősséget.
Egyéb információ
- Az üvegszállal erősített poliamid hőállósága lényegesen nagyobb, mint a nem erősített típusoké.
 - 1.4301 – AISI 304 rozsdamentes acél menetes szárral is kapható.
 
A műanyag talpas géplábakat vagy önbeálló lábakat általában ipari környezetben használják.
A karbantartásmentes gépláb a meneten keresztül fokozatmentesen állítható magasságú (a szár hosszától függően) és bizonyos mértékig dönthető, ami megkönnyíti a pontos összeszerelést és igazítást.
A menetes szár mindkét irányban kb. 2°-os szögkiegyenlítéssel rendelkezik, ami garantálja a gép stabil és pontos beállítását.
- fokozatmentes magasságállítás (a menetes szár hosszától függően) maximális stabilitás és minimális erőfeszítés mellett
 - nagy hatszögletű kulcslap a könnyű magasságállításhoz
 
A gépláb alkotóelemeit (géptalp és szár) már összeszerelve szállítjuk.
| Tömeg | 690 g | 
|---|---|
| Menetméret (F) | |
| Csavarhossz (B) | |
| Talp-Ø (D) | |
| Talpmagasság (G) | |
| Padlótávolság (A) | |
| Teljes magasság | |
| Kulcsnyílás (SW) | |
| Teherbírás [Newton] | |
| Csavar anyaga | |
| Talp anyaga | |
| Talpkialakítás | |
| Furattávolság | |
| Gumitalp | |
| Kiegyenlítési szög | |
| Csavarméret | |
| Termékvonal | |
| Kiszerelési egység | |
| Márka | 






